
经公司研究,决定对高压永磁同步电机改造项目采取公开招标方式确定中标方企业,诚邀符合招标条件及认可招标文件内容的企业参与本次竞标,现将有关事宜公告如下:
一、项目概况
(一)项目名称
高压永磁同步电机改造项目。
(二)项目地点
四川省峨眉山市九里镇四川峨胜水泥集团股份有限公司九里二厂。
(三)项目内容
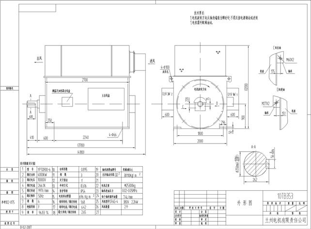
本项目为九里二厂9#立磨循环风机1台高压永磁同步电机的改造,改造设备原参数如下:

电机尺寸图:

(四)设计、质量要求
产品质量符合国家标准或行业相关标准,满足招标文件要求。
二、投标人资格要求
(一)在中华人民共和国境内注册,具备独立法人资格的企业。
(二)投标人的投标活动均应严格遵守中华人民共和国法律和法规,未处于被责令停业、财产被接管、冻结、破产状态,无不良的债务和违约行为。
(三)投标人的注册资本不得低于人民币1亿元,具备与本项目相适应的生产经营范围。
(四)投标人须具备自有生产场地。
(五)投标人须具备10kV 2000kw及以上负载试验能力(提供陪试电机铭牌、陪试变频器铭牌、待试变频器铭牌的凭证及10kV 2000kw及以上高压永磁同步电机试验报告)。
(六)业绩要求及注意事项
1.合同签订时间为2020年至今,至少10台1kV1000kw及以上的高压永磁同步电机销售(或改造)业绩;
2.须提供合同及对应发票(或验收单)的复印件且印章清晰,否则无效。
三、投标须知
(一)投标人资质递交:2021年12月14日前通过邮箱递交,邮箱为es5573898@163.com,企业法人代表不参与投标的,需提供法人代表授权委托书。
(二)招标文件的获取:资质审核通过后,于2021年12月15日通过邮箱es5573898@163.com发放。
(三)投标保证金¥20000.00元(大写:贰万元整),于2021年12月24日16:00前通过投标人的基本账户转账至招标人指定账户,并将转账凭证发送至招标方邮箱:
开户行:农行峨眉山市支行
账号:367101040002464
户名:四川峨胜水泥集团股份有限公司
邮箱:es5573898@163.com
注意:转账时备注“高压永磁电机投标保证金”。投标保证金的交纳以银行到账时间为准。
(四)本项目最低付款条件:无预付款、电子银行承兑支付,其余自定。
(五)投标文件递交截止时间:2021年12月29日16:00。
(六)开标时间:2021年12月30日09:00,开标相关事宜另行通知。
(七)原则上各环节时间安排按上述进行,如受疫情影响则时间顺延,以通知为准。
(八)投标文件递交截止日期前,投标人按招标文件要求通过顺丰快递递交投标文件。逾期送达、未送达至指定地点或不按要求密封的投标文件,招标人不予受理。
(九)招标人将对投标人的投标资格、投标报价、改造方案、综合实力、主要业绩、产品质量、售后服务等方面等进行综合考评。
(十)投标人如有必要进行现场踏勘的须提前与招标人联系,按照招标人的要求提供相关防疫手续后再行前往。
(十一)招投标实施部门及咨询电话:四川峨胜水泥集团股份有限公司采购中心,咨询电话:0833-5571188转8615。
(十二)本公告由公司招投标管理委员会负责解释。
2021年12月9日